











Apartament de 2 camere în zona Domenii – parter, ideal pentru renovare și accesibilitate
Vă propunem spre vânzare un apartament decomandat de două camere, situat pe strada Domenii, la parter înalt, ceea ce îl face ideal pentru persoane în vârstă sau pentru cei care preferă acces facil fără scări. Apartamentul necesită renovare completă, inclusiv instalații electrice și sanitare, finisaje și mobilare, oferind posibilitatea de a fi personalizat după propriul stil.
Zona este foarte bine poziționată, aproape de stația de metrou Domenii, Parcul Herăstrău și diverse piețe locale, precum și de școli, grădinițe și centre comerciale, oferind acces rapid la toate facilitățile urbane.
Apartamentul este situat la parterul unei vile finalizate în 1938, cu regim de înălțime P+3.
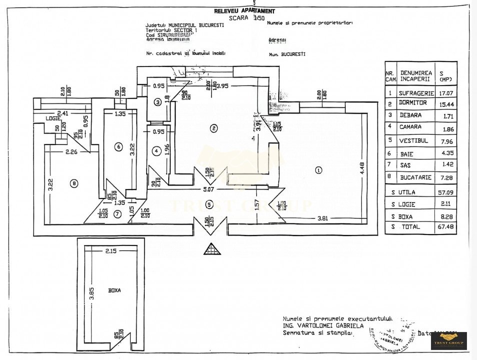
Suprafața utilă este de 60 mp, suprafața construită de 67 mp. Compartimentarea decomandată include: living, dormitor, bucătărie, baie, hol și spații de depozitare, precum și balcon.
Avantaje și dotări:
• Parter înalt, ideal pentru acces facil și confort pentru vârstnici
• Posibilitate de renovare și personalizare completă
• Spațiu generos și bine compartimentat
Utilități și confort:
• Curent electric, apă, canalizare, gaz
• Încălzire prin centrală proprie și calorifere
• Aer condiționat
Finisaje:
• Pereți: vopsea lavabilă, faianță
• Podele: parchet și gresie
• Ferestre: PVC, termopan
• Uși interioare: lemn
Observații:
Acest apartament reprezintă o oportunitate excelentă pentru cei care doresc să investească într-o locuință într-o zonă liniștită și centrală, aproape de metrou, parc, piețe și facilități, și să o transforme într-un apartament modern și adaptat nevoilor proprii.
Nu ezitați să ne apelați pentru informații suplimentare sau programarea unei vizionări!